WTC L1

 

Hier vind u alle 3D modellen en alle werktekeningen die ik in leerjaar 1 heb gemaakt. (2020-2021)

 

(Wilt u een werktekeningen zien met hogere resolutie? Download de pdf.)

3D Model / Werktekeningen van opdracht 1A en 1B

Hier ziet u twee 3D modellen die ik heb gemaakt uit het boek Autodesk Inventor 2019. Bij opdracht 1 moest ik een blokje van 100 bij 100 millimeter maken, vervolgens een gat van 60 millimeter in diameter. Daarna moest ik een gleufje maken van 2mm dik. En als laatste de randen mooi rond maken. (Zie figuur 1)

Het belangrijkste is om een schets te maken van het blokje, het makkelijkste is van de zijkant. Als u een schets maakt, druk op de zijde waar u het wil maken. Dan is het handigst om in het midden te beginnen van de schets. (Inventor geeft dat aan met een bolletje met vier lijnen die ernaar toe gaan.) Dus dan maak u via het midden 4 vierkanten van 50 bij 50 millimeter. Want dan kan u een cirkel maken van 60 millimeter die precies in het midden van je blok ligt. Dat moet u wel op het bolletje drukken, 60 millimeter invullen en op enter drukken. Wat u daarna doet is het tekenen van het gleufje. Wat ik nog gedaan heb is de overbodige lijnen die in me schets staan weggehaald. Ik bedoel bij de 4 vierkanten. (Druk dan op ''Trim'') Want het moet uiteindelijk een 100 bij 100 millimeter vierkant worden. (Zie figuur 2) Dat maakt het ook makkelijker als u gaat ''Extrude''. Als u de overbodige lijnen weg heb gehaald, dat druk u op ''finish sketch''. En dan druk u op ''Extrude'', druk u op uw schets en typ je 25mm in. Druk dan op enter. En dan heeft u een blokje van 100 bij 100 bij 25 millimeter. (Zie figuur 1)

afbeelding 1                                                                                                                                                     afbeelding2                                                                           

Hier zie u een plug die precies in het gat van het blokje past. (Figuur 3)

Maak hiervoor een nieuw ''File'' (Druk op ''File'' en vervolgens op ''New'' en dan op ''Standard.ipt'' en als laats op ''Create''. Druk op ''Sketsh'' en vervolgens op ''Start 2d sketch''. Maak van het midden van de schets de zijkant van het plug. (Zie figuur 4) Als u dat heb gedaan, druk u op ''Finish Sketch''. En dan druk u op ''Revolve". Druk op de lijn waar hij om ze as moet gaan draaien. En dan maakt de programma een plug voor u. Dan kan u nog voor het mooie de randen nog rond maken.

afbeelding 3                                                                                                                                                      afbeelding 4

Hier kunt u de 3D modellen van opdracht 1 A en B zien:

1A:Opdracht 1a Inventor.pdf 

1B:Opdracht 1b Inventor.pdf

 

Hier kunt u de werktekening van opdracht 1 A en B zien:

1A: Opdracht 1a Inventor werktekening.pdf

1B:Opdracht 1b werktekening.pdf

 


Samenstelling van Opdracht 1 a en b

Hier ziet u de modellen van Opdracht 1 a en b bij elkaar. 

afbeelding 5                                                                                                                                                              afbeelding 6


Opdracht 25mm blokje

Hier ziet u een 25mm blok met paar kleuren en texures. Vervolgens zijn er 3 extra gepakt en heb ik ze op elkaar geplakt. Dan heb ik twee soorten assen gemaakt die door de gaten van het figuur gaan. 

afbeelding 7

 

afbeelding 8

 

afbeelding 9                                                                                                                                                     afbeelding 10


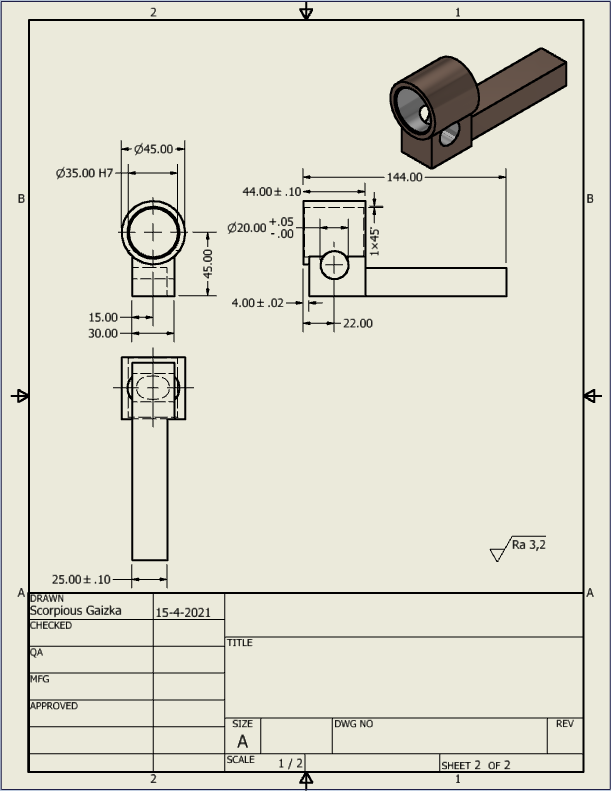
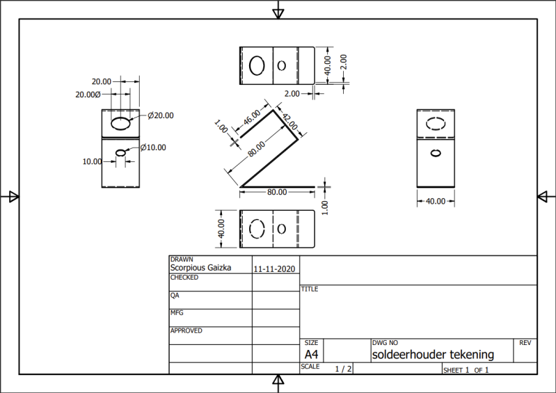
Werktekening / 3D model van mijn soldeerbouthouder

afbeelding 11                                                                                                                                                       afbeelding 12

Hier kunt u de werktekening en het 3D model van mijn soldeerbout kan zien:


Werktekening doosje voor de brug

Hier kunt u de voorlopige werktekening zien van het doosje voor de brug. Hierbij heb ik de deksel apart gedaan.

Doosje: Brug doosje.pdf

Deksel: Brug deksel doosje.pdf

 


3D model en werktekening van Opdracht 2

Hier heb ik een blokje gemaakt en we hebben bij deze opdracht geoefend hoe je de gatenfuctie moet gebruiken in Autodesk Inventor. 

Hiervoor maak je weer een nieuwe ''File'' aan. Dan maak je de schets. (120 × 80 mm) Gebruik hier de functie: ''Rectangle''. Druk niet of de functie maar eronder waar je meer functies heb. Dan druk je op ''two point rectangle'' en dan vul je 120 × 80 in. Druk op enter. Vervolgens met ''extrude'' in het 3d vakje maak je het blokje 40mm dik. Druk op enter. Als je dan klaar mee bent, dan ga je op het bovenvlak een nieuwe schets aanmaken. Dit doe je weer met ''two point centre rectangle'' begin in ''origin'' en vul dan 90 × 50 mm in. Druk op enter. Gebruik dan ''fillet'' en vul dan 12mm in. Klik vervolgens de lijnen aan waar de hoek aan aangesloten is. Hiermee krijg je de afgeronde hoeken. Doe dit bij alle hoeken. Druk op enter. Dan ''3D model'' en dan ''extrude''. Maak er een ''cut'' van en vul dan 25mm in. Druk op enter. Maak van links boven en rechtsboven twee rechtoeken van 25 × 15 mm. Vervolgens sluit je de rechthoeken aan elkaar vast met een nieuwe rechthoek. Druk op enter. Dan ga je naar ''3d model'' en dan op ''extrude'', dan kies je ''cut'' en dan sleep je het helemaal door de blok heen dan je hetzelfde krijgt als figuur 12. Druk op enter. Dan ga je naar ''chamfer'' en geef je 5mm aan in distance. Klik dan alle 4 hoeklijnen aan. Druk op ''ok'' of enter en dan ben je klaar. Je kan eventueel het blokje een goude look geven. Ga dan naar '' quick acces'' balk, dan ''as material'' en dan verander ''default'' naar ''gold''. 

Als je dat gedaan heb, klink je op het binnenvlak en maak je een nieuwe ''sketch''. Druk dan op ''project geometry''. Ga dan naar de afgeronde hoeken en hou je je muis erop en wacht totdat er edge komt. Klink erop en doe dit bij de andere drie afgeronde hoeken. Ga dan naar ''3d model'' en dan naar ''hole''. Druk dan met je muis op de vier gaten die verschenen zijn bij de vorige stap. Dan vul je in het pop-up de volgende gegevens: ''Hole: simple hole'' - ''Seat: none'' - ''Termination: through all'' - ''Direction: default'' en diameter 10mm. Als je klaar bent, druk je met je rechtermuisknop op de bovenste vlak en kies je ''look at''. Start dan de ''hole'' functie. Vul dan in het pop-up: ''Hole: simple hole'' - ''Seat: counterbore'' - ''Termination: distance'' - ''Direction: default''.  Dan klik je in de buurt bij een van de vier hoeken. Het maak niet uit dat het precies goed staan, dan komt later. Dan ga je bij het gat naar de bovenste lijn en hou je je muis erop en wacht je totdat er ''edge'' staat en druk er op. Vul dan 10 in. Druk niet op enter! Dan ga je naar de andere lijn die aan die hoek vast zit en doe je hetzelfde. Druk niet op enter! Doe dit dan ook bij de andere hoeken. Dan pas op enter drukken/ok. Maak dan een nieuwe sketch in het binnenvlak. Druk dan op het gele stipje in het midden van het vlak. Ga dan naar ''3d model'' en dan ''hole''. Vul dan in het pop-up: ''Hole: simple hole'' - ''Seat: countersink'' - ''Termination: through all'' - ''Direction: default''. Vul dan van boven naar beneden 25mm en 10mm. Druk op enter. Als je klaar ben ga je naar de onderkant van je model. Maak je ''sketch'' en kies dan voor ''two point center rectangle''. Maak dan een rechthoek van 100 × 60 mm. Druk op enter. Kies dan voor ''fillet'' en vul dan 8mm in. Doe dit bij de andere drie hoeken. Druk op enter. Klik dan op ''project geometry'' en klik dan op de onderkant aan. Ga dan naar ''3d model'' en druk dan op ''extrude'' en kies dan de buitenste dikke rand. Vul dan ''cut'' in en dan 10mm. Druk op enter. Nu heb je het blokje gemaakt. Sla dit op. 

Vervolgens klik je op ''file'' aan, vervolgens ''new'' ,dan op ''drawing'' en dan op ''A size...'' Nu gaan we een werktekening maken van het 3d model wat je net gemaakt hebt. Als je de werktekening hebt, dan druk je op ''base''. Druk niet op enter! Maak dan dezelfde aanzichten als figuur 6. Als dat klaar is ga je naar ''annotate'' en kies je ''centerline bisector'' Ga dan naar de vooraanzicht en klik dan de linker en de rechter lijn aan. Doe dit bij alle gaten in die aanzicht. Nu krijg je hartlijnen. Sommige lijnen moet je handmatig langer maken. Dat kan je doen om je muis op de lijn te doen en het bolletje te pakken en dan langer trekken. Ga dan naar het bovenaanzicht en druk dan op ''center mark'' en druk dan op alle gaten in het bovenaanzicht. Druk dan op enter/ok en dan ga je de lijnen van de buitenste gaten in het bovenaanzicht met elkaar verbinden. Als je je muis op de lijn houdt, dan zie je een groene bolletje en dan kan je die lijn verlengen. (Zie afbeelding 13 hoe het eruit moet gaan zien.) Let wel op dat ik een horizontale A4 heb gepakt! We gebruiken nu de verticale A4. Het gaat om de afmetingen. Vul dan alle maten in zoals in afbeelding 13. Als je klaar bent, vergeet het niet om op te slaan!

Nu heb je een 3d model gemaakt en een werktekening.

afbeelding 13

afbeelding 14


Doosje brug versie 2

3D model en werktekening van het doosje en het deksel:


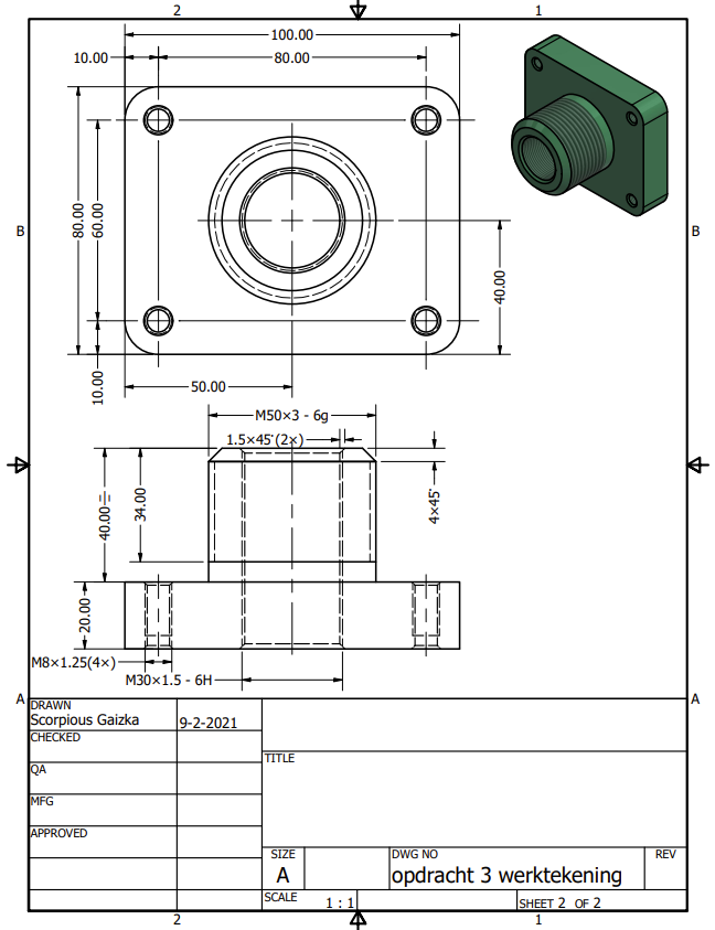
Opdracht 3 werktekening en 3D model

afbeelding 15                                                                                                                                                       afbeelding 16

Hier heb ik een 3D model gemaakt. Met dit model hebben we de functies in Inventor herhaalt van de vorige opdrachten en hebben we meer schroefdraden toegepast om daarmee te oefenen. 

Werktekening: opdracht 3 werktekening pdf.pdf

3D model: opdracht 3 werktekening pdf.pdf

 


Opdracht 4 A en B 3D model en werktekeningen met de samenstelling

afbeelding 17                                                             afbeelding 18                                                                                                afbeelding 19

 

       afbeelding 20                                                                                                                                                  afbeelding 21

 

Hier heb ik een 3D model gemaakt. Een geleideblok. Hier leerden we om twee modellen met elkaar samen te stellen. 

3D model van het blok: Opdracht 4 3d model 3d model.pdf

3D model van het as: opdracht 4 b 3d model pdf.pdf

3D model van de samenstelling: Opdracht 4 werktekening pdf.pdf

Werktekening blok: Opdracht 4 werktekening pdf.pdf

Werktekening as: opdracht 4 b werktekening pdf.pdf

Werktekening van de samenstelling: Samenstelling opdracht 4 werktekening pdf.pdf

 


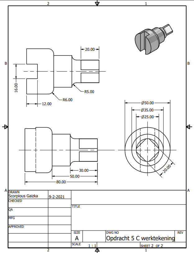
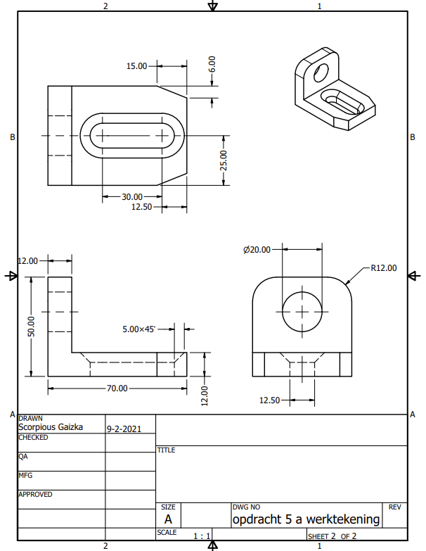
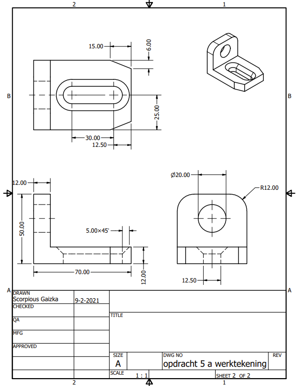
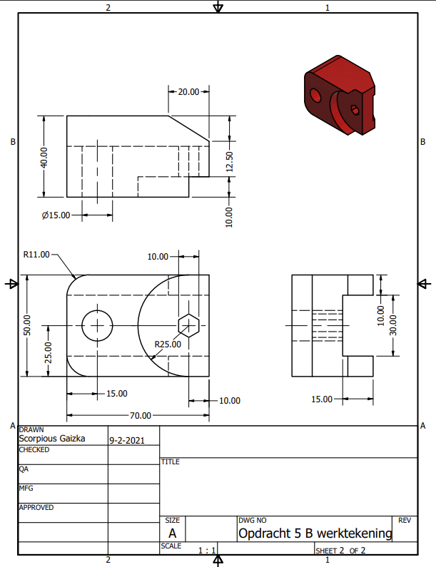
Opdracht 5 A, B, C en D werktekening en 3D model

afbeelding 22                                                      afbeelding 23                                                    afbeelding 24                                                                     afbeelding 25

 

    afbeelding 26                                                             afbeelding 27                                                            afbeelding 28                                                            afbeelding 29

 

Hier heb ik 4 3D modellen gemaakt. Een Gaffel (zie afbeelding 22), een Blok (zie afbeelding 23), een Astap (zie afbeelding 24), en een Pijpsteun (zie afbeelding 25). Hierbij hebben we de functies die we geleerd hadden herhaald in nieuwe modellen. 

De volgende modellen en werktekeningen:

- Opdracht 5 A

   3D model: opdracht 5 a 3d model pdf.pdf

   Werktekening: opdracht 5 a werktekening pdf.pdf

 

- Opdracht 5 B

   3D model: Opdracht 5 B 3d model pdf.pdf

   Werktekening: Opdracht 5 B werktekening pdf.pdf

 

- Opdracht 5 C

   3D model: Opdracht 5 C 3d model pdf.pdf

   Werktekening: Opdracht 5 C werktekening.pdf

 

- Opdracht 5 D 

   3D model: Opdracht 5 D 3d model pdf.pdf

   Werktekening: Opdracht 5 D werktekening pdf.pdf

 


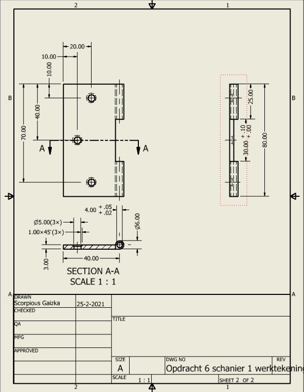
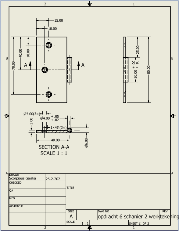
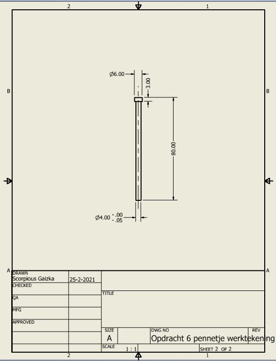
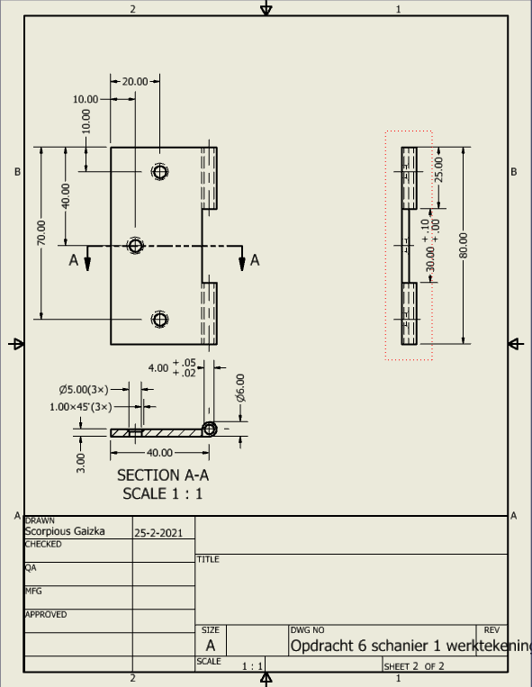
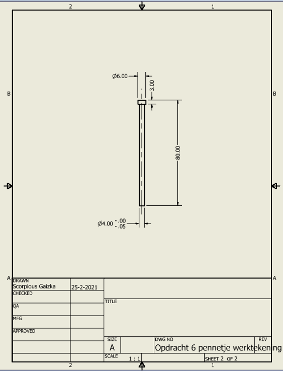
Opdracht 6 3D modellen en werktekeningen (Scharnier)

afbeelding 30                                                                                         afbeelding 31                                                                                          afbeelding 32

 

afbeelding 33                                                                                         afbeelding 34                                                                                          afbeelding 35

 

afbeelding 36                                                                                                                                                  afbeelding 37

 

Hier heb ik een scharnier gemaakt. De scharnier bestaat uit 3 delen. Namelijk de linkerdeel (zie afbeelding 30) en het rechterdeel (zie afbeelding 32) met daartussen een pennetje (zie afbeelding 34. Waardoor het dus kan scharnieren. Vervolgens hebben wij een samenstelling gemaakt (zie afbeelding 36) waardoor je hem zelf kan scharnieren.

 

De modellen en bijbehorende werktekening plus samenstelling:

 - Linker scharnier.

   3D model: Opdracht 6 schanier 1.pdf

   Werktekening: Opdracht 6 schanier 1 werktekening.pdf

 

- Rechter scharnier.

  3D model: opdracht 6 schanier 2.pdf

  Werktekening: opdracht 6 schanier 2 werktekening.pdf

 

- Pennetje.

  3D model: Opdracht 6 pennetje.pdf

  Werktekening: Opdracht 6 pennetje werktekening.pdf

 

- Samenstelling.

  3D model: Samenstelling opdracht 6 scharnier.pdf

  Werktekening: Samenstelling opdracht 6 scharnier werktekening.pdf

 


Opdracht 7 a,b,c 3D modellen en samenstelling

afbeelding 38                                                            afbeelding 39                                                              afbeelding 40                                                            afbeelding 41

 

afbeelding 42                                                             afbeelding 43                                                             afbeelding 44                                                            afbeelding 45

 

Hier heb ik een V-blok gemaakt. Het eerste deel (afbeelding 38, het V-blok) hadden we geoefend hoe je sneller symmetrisch kan tekenen in Inventor. Vervolgens hebben we geoefend hoe je een kartel in Inventor kan maken. Inventor heeft helaas geen kartel functie, dus hadden we een stuk karton moeten gebruiken. (zie afbeelding 39) Daarna moesten we een beugel maken waar de schroefpen in gaat. Hier hadden we geoefend hoe je een plane kan maken op een punt waar je geen schets kan maken in Inventor. Want om de ronde bol kan je geen mooie en precieze schets maken. (zie afbeelding 49) En als laatste moesten we een samenstelling van de onderdelen maken.

 

De modellen, werktekeningen en samenstelling:

 

- Opdracht 7a:

3D model: opdracht 7a 3d model pdf.pdf

Werktekening: opdracht 7a werktekening pdf.pdf 

 

- Opdracht 7b:

3D model: opdracht 7b 3d model pdf.pdf

Werktekening: opdracht 7b werktekening pdf.pdf 

 

- Opdracht 7c:

3D model: opdracht 7c 3d model pdf.pdf

Werktekening: opdracht 7c werktekening pdf.pdf

 

- Samenstelling opdracht 7 a,b en c:

3D model: opdracht 7 samenstelling pdf.pdf

Werktekening samenstelling: opdracht 7 samenstelling werktekening pdf.pdf


Opdracht 8 Flens

afbeelding 46                                                                                                                                             afbeelding 47

Hier heb ik een Flens gemaakt. Hierbij leerden we om een "Section" te maken. Hiermee kan je de doorsnede van het model maken op de werktekening en vervolgens dingen bematen waar het nodig is. 

 

Het model met de werktekening:

Het 3D model: Opdracht 8 3d model.pdf

De werktekening: Opdracht 8 werktekening.pdf

 


Opdracht 9 a, b en c Gaffel

afbeelding 48                                                                                         afbeelding 49                                                                                         afbeelding 50

 

afbeelding 51                                                                                         afbeelding 52                                                                                         afbeelding 53

 

afbeelding 54                                                                                         afbeelding 55                                                                                          afbeelding 56

 

Hier heb ik een Gaffel gemaakt. Zie afbeelding 54. Hierbij herhaalde we hoe we een "Section" moesten maken en we hadden voor het eerst een presentatie gemaakt van onze samenstelling. Zie het filmpje hoe de samenstelling eruit ziet. We hadden ook geleerd hoe we een onderdelen tabel moesten maken. Zie afbeelding 56.

Zie afbeelding 55 en 56 voor de samenstelling van de onderdelen.

 

De 3D modellen en werktekeningen:

- Opdracht 9A:

3D model: Opdracht 9 a 3d model.pdf

Werktekening: Opdracht 9 a werktekening.pdf

- Opdracht 9B:

3D model: Opdracht 9 b 3d model.pdf

Werktekening: Opdracht 9 b werktekening.pdf

- Opdracht 9C:

3D model: opdracht 9 c 3d model.pdf

Werktekening: opdracht 9 c werktekening.pdf 

Samenstelling:

3D model: Samenstelling Opdracht 9 3d model.pdf

Werktekening 1: Samenstelling Opdracht 9 werktekening.pdf 

Werktekening 2: Samenstelling Opdracht 9 werktekening 2.pdf

 

Filmpje: 


Opdracht 10 a, b ,c en d Beitelhouder

afbeelding 57                                                             afbeelding 58                                                             afbeelding 59                                                             afbeelding 60

 

afbeelding 61                                                             afbeelding 62                                                             afbeelding 63                                                            afbeelding 64

 

afbeelding 65

Hier heg ik een Beitelhouder gemaakt. Dit was een herhalen van vorige twee opdrachten. Alleen moesten we een vergroting maken van een bepaald stuk. Zie afbeelding 65.

 

De 3D modellen en Werktekeningen:

- Opdracht 10A:

3D model: Opdracht 10a 3d model.pdf

Werktekening: Opdracht 10a werktekening.pdf

- Opdracht 10B:

3D model: opdracht 10b 3d model.pdf

Werktekening: opdracht 10b werktekening.pdf

- Opdracht 10C en D:

3D model C: opdracht 10c 3d model.pdf

3D model D: opdracht 10d 3d model.pdf

Werktekening C met D: opdracht 10c werktekening.pdf

- Werktekening samenstelling:

Werktekening 1: Samenstelling opdracht 10 werktekening 1.pdf

Filmpje:


Lego blokes 8 noppen en 24 noppen.

afbeelding 66                                                                                                                                                  afbeelding 67

 

afbeelding 68                                                                                                                                                   afbeelding 69

Hier heb ik twee legoblokjes gemaakt. Een van 8 noppen en de andere is een platte met 24 noppen. Daarna moesten we een samenstelling maken om te oefenen hoe je lego blokjes kan samenstellen in Inventor. Daarbij moesten wij ook een filmpje maken. Hier zitten ook extra blokjes verwerkt voor de volgende opdracht!

 

De 3D modellen en Werktekeningen:

Lego blokje 8 noppen:

- 3D model: Lego blokje 8 noppen.pdf

- Werktekening: Lego blokje 8 noppen werktekening.pdf

 

Lego blokje 24 noppen:

- 3D model: Lego blokje 24 noppen n.pdf

- Werktekening: Lego blokje 24 noppen werktekening n.pdf

 

Lego blokjes samenstelling:

- 3D model: Lego blokjes samenstelling.pdf

- Werktekening met partlist: Lego blokjes samenstelling werktekening.pdf

 

Lego blokje 16 noppen: (extra voor het vliegtuigje)

- 3D model: Lego blokje 24 noppen.pdf

- Werktekening: Lego blokje 16 noppen werktekening.pdf

 

Lego blokje 2 noppen: (extra voor het vliegtuigje)

- 3D model: Lego blokje 2 noppen.pdf

- Werktekening: Lego blokje 2 noppen werktekening.pdf

afbeelding 70

afbeelding 72

afbeelding 71

afbeelding 73

afbeelding 74                                                                                                                                                  afbeelding 75

Het filmpje:


Lego vliegtuigje

afbeelding 76                                                                                                                                                                     afbeelding 77

Hier heb ik met de legoblokjes een vliegtuig gemaakt.

 

De 3D modellen en werktekeningen:

(De blokjes staan in de vorige opdracht "Lego blokjes 8 noppen en 24 noppen")

 

- Het vliegtuig: Lego vliegtuigje.pdf

- Werktekening: Samenstelling vliegtuig Lego werktekening.pdf

 

Filmpje van de samenstelling:


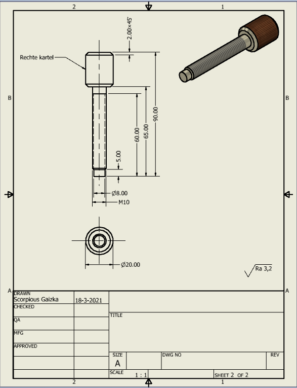
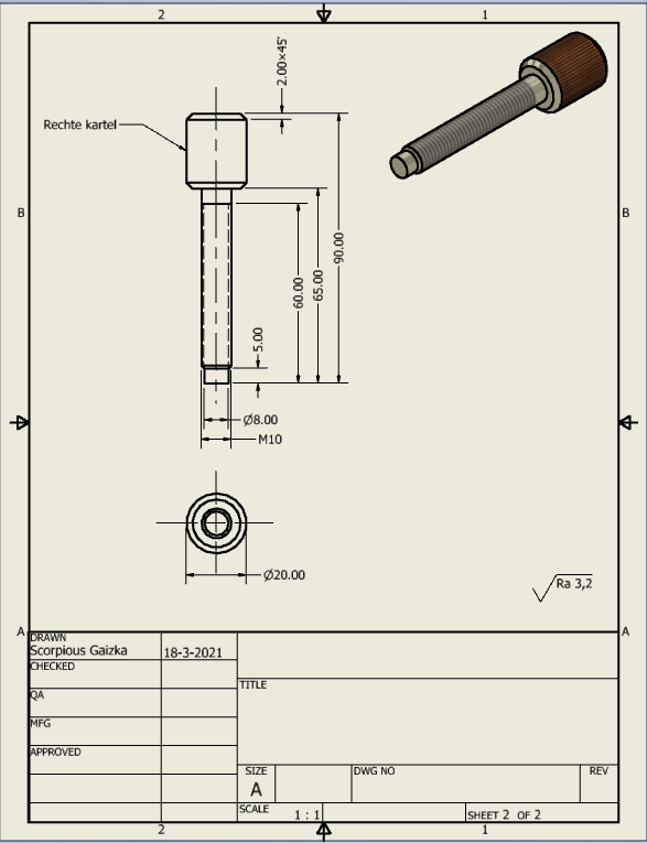
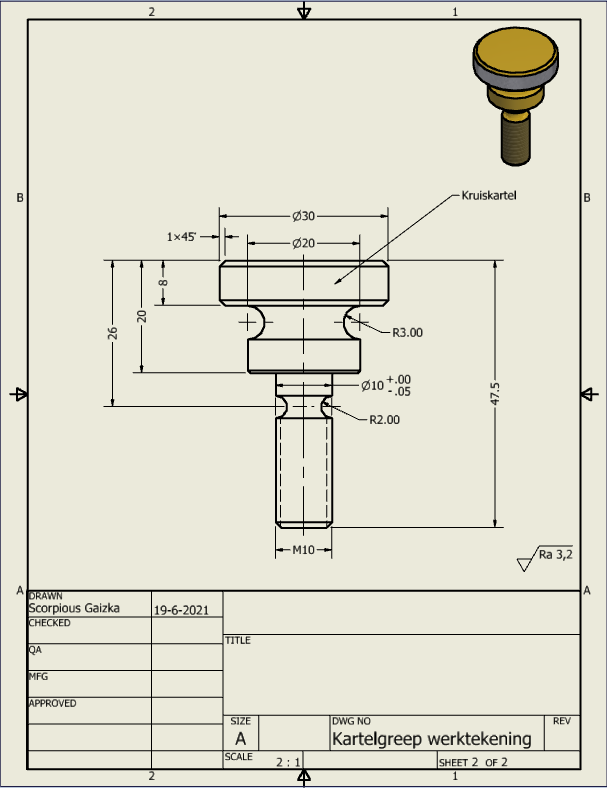
Opdracht 11 Fixeerblok

afbeelding 78                                                             afbeelding 79                                                             afbeelding 80                                                             afbeelding 81

afbeelding 82                                                             afbeelding 83                                                             afbeelding 84                                                             afbeelding 85

 

Hier heb ik een Fixeerblok gemaakt. Hier hebben we geoefend hoe je een arcering kan maken in de werktekeningen om onderdelen duidelijker te maken. Dit is vooral handig als je meerdere onderdelen moet neerzetten van je samenstelling. 

 

De 3D modellen en werktekeningen:

De modellen:

- Fixeerblok (Alleen het blok zelf!): Fixeerblok.pdf

- Fixeergeleider: Fixeergeleider.pdf

- Kartelgreep: Kartelgreep.pdf

- Fixeergeleider pen: Fixeergeleider pen.pdf

 

De werktekeningen:

- Fixeerblok (Alleen het blok zelf!): Fixeerblok werktekening.pdf

- Fixeergeleider: Fixeergeleider werktekening.pdf

- Kartelgreep: Kartelgreep werktekening.pdf

- Fixeergeleider pen: Fixeergeleider werktekening pen.pdf

 

Samenstelling:

- 3D model: Samenstelling Fixeerblok.pdf

- Werktekening: Samenstelling Fixeerblok werktekening.pdf

 

afbeelding 86                                                                                                                                                   afbeelding 87