WTC L2

 

Hier vind u alle 3D modellen en alle werktekeningen die ik in leerjaar 2 heb gemaakt. (2021-2022)

 

(Wilt u een werktekeningen zien met hogere resolutie? Download de pdf.)


Opdracht 1 Hijs geleider

afbeelding 1                                                                                      afbeelding 2                                                                                       afbeelding 3

afbeelding 4                                                          afbeelding 5                                                             afbeelding 6                                                            afbeelding 7

 

Hier hebben we een hijs geleider gemaakt. Hierboven ziet u alle losse onderdelen wat er nodig is voor deze hijs geleider.

afbeelding 8 De Hijs Geleider

 

Hier ziet u de Hijsgeleider helemaal in elkaar gezet in Inventor.

 

Hieronder ziet u de werktekening: 

afbeelding 9 Werktekening Hijs Geleider

De link van de werktekening in hogere resolutie: Werktekening Hijs geleider.pdf

 


Opdracht 2 Beugel

afbeelding 10 Beugel

Hier hebben wij een beugel gemaakt. Hiervoor hadden we een werktekening gekregen en moesten we dit studeren. (zie afbeelding 11) Was niet al te duidelijk en het was veel zoeken. Maar uiteindelijk is er een model uit gekomen.

De bedoeling was dat wij de leerstof uit onze boek gingen toepassen in dit model. Dus hoe maak je een goede werktekening. Dat bedrijven dit zouden kunnen maken. 

afbeelding 11 De werktekening die wij hadden gekregen.

 

Hieronder ziet u mijn werktekening

afbeelding 12 werktekening opdracht 2

De link van de werktekening in hogere resolutie: School tekening Beugel 15-2-2022.pdf

 


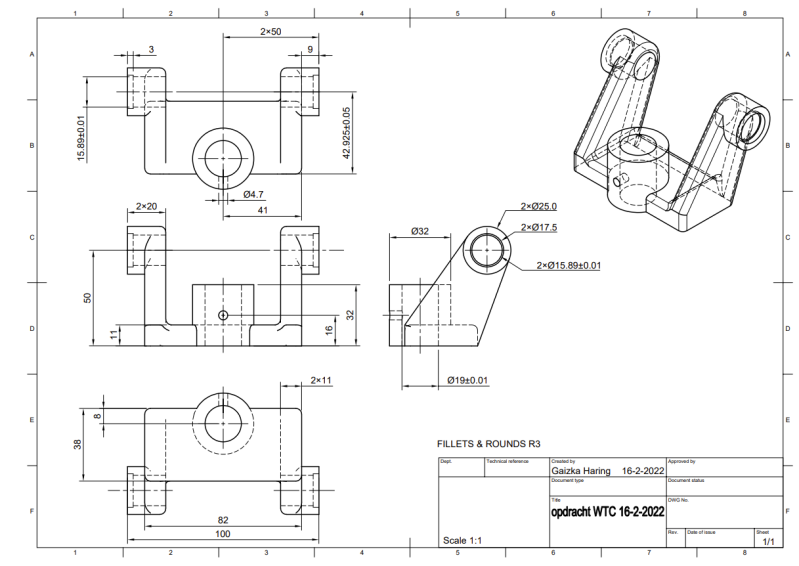
Opdracht  3 Trip Bracket

afbeelding 13 Trip Bracket

Hier hebben wij een Trip Bracket gemaakt. Hierbij zijn wij verder gegaan met de leerstof uit het boek. Deze moeten wij toepassen bij onze volgende tekeningen die wij gaan maken. We leren vooral nu met toleranties

We moesten de volgende werktekening natekenen en zelf bestuderen om te kijken hoe je het moet tekenen.

afbeelding 14 De werktekening die wij hadden gekregen

afbeelding 15 De werktekening

De link van de werktekening in hogere resolutie: School tekening Trip Bracket 16-2-2022.pdf

 


GraviTrax blokjes

afbeelding 16 De drie keuze blok                                                    afbeelding 17 Slow-down blokje                                                    afbeelding 18 Slow-up blokje

afbeelding 19                                                                                   afbeelding 20                                                                                      afbeelding 21

afbeelding 22 schetsen van de drie blokjes met de naam.

 

Voor deze opdracht moesten wij 3 GraviTrax blokjes ontwerpen. Met het GraviTrax kogelbaan-systeem kun je je eigen kogelbaanwereld bouwen door creatief gebruik te maken van de wetten van de zwaartekracht. Met diverse bouwelementen kan je een parcours vol met actie  maken en de kogels met behulp van magnetisme, kinetica en zwaartekracht naar de finish brengen. Hierbij moesten wij ons eigen bedachte blokje erbij toevoegen. Dit doen wij met de hele klas om een baan te maken met ons eigen ontworpen blokjes. Hierboven ziet u mijn eigen ontworpen blokjes en hieronder het idee erop.

Bij de werktekeningen moeten wij alle kennis toepassen die we geleerd hebben uit ons boek. Hier staan allemaal regels hoe je een concrete werktekening kan maken. 

Vervolgens moeten wij het gaan printen met de 3D-printers. En dan gaan testen op de baan met de andere GraviTrax blokjes. 

 

GraviTrax blokje 1 "De drie keuze blokje"

Deze heb je eigenlijk al in het kitje zitten. Maar ik heb er een gat toegevoegd die naar beneden gaat. Dat maakt het weer uniek en bijzonder om het te zien. Hiermee heb je de keuze om sneller naar beneden te gaan. Maar het blokje is ook langer dan de normale "standaard" blokjes.

 

GraviTrax blokje 2 "Slow-Down blokje"

Hier heb ik een blokje gebruikt waarmee de snelheid van het balletje eruit wordt gehaald. Maar ook om een scherpe bocht te maken. 

 

GraviTrax blokje  3 "Slow up blokje"

Hier heb ik een blokje gemaakt waarbij de baan omhoog gaat. Hij gaat dan precies een GraviTrax blokje omhoog. Dit is namelijk 10mm. Hiermee is de kunst om toch de snelheid erin te krijgen.

 

De linkjes van de werktekeningen:

 

- De drie keuze blok:

De drie keuze blok GraviTrax.pdf

- De slow-down blok:

Slow-down blokje GraviTrax.pdf

- De slow- up blok:

Slow-up blokje GraviTrax.pdf


Maak jouw eigen website met JouwWeb